Mores Pics | Update Everything

Circuito Integrado 555 Resources Easyeda

Circuito Integrado 555 Resources Easyeda

In addition to the information above, here is a curated collection of images related to Circuito Integrado 555 Resources Easyeda.

  • Primer Proyecto 555 - Platform For Creating And Sharing Projects - OSHWLab
  • The Integrated Circuit 555 - Electrical E-Library.Com
  • PCB_proyecto Con Circuito-Integrado-555 Resources - EasyEDA
  • CIRCUITO CON 555 - EasyEDA Open Source Hardware Lab
  • 555 IC - OSHWLab
Find More About "Circuito Integrado 555 Resources Easyeda"

Explore exclusive offers, detailed information, and related services about circuito integrado 555 resources easyeda from our trusted partners.

View Special Offers

555 IC - OSHWLab

555 IC - OSHWLab

Source: image.easyeda.com

555 IC - OSHWLab

555 IC - OSHWLab

Source: image.easyeda.com

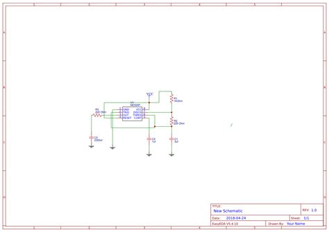
555 Resources - EasyEDA

555 Resources - EasyEDA

Source: image.easyeda.com

555 IC - OSHWLab

555 IC - OSHWLab

Source: image.easyeda.com

circuito com 555 - OSHWLab

circuito com 555 - OSHWLab

Source: image.easyeda.com

circuito com 555 - OSHWLab

circuito com 555 - OSHWLab

Source: image.easyeda.com

circuito com 555 - OSHWLab

circuito com 555 - OSHWLab

Source: image.easyeda.com